स्विंग मोटर R140LC-9 39Q4-10150 39Q4-10151 38Q4-10150 स्विंग ड्राइव
| नमूना | R140VS-9 R150VS-9 R140LC-9 | भाग संख्या | 39Q4-10150 39Q4-10151 38Q4-10150 38Q4-10151 39Q4-11100 39Q4-11101 38Q4-11100 38Q4-11101 |
|---|---|---|---|
| के लिए आवेदन देना | हुंडई एचसीई स्विंग डिवाइस | प्रोडक्ट का नाम | स्विंग मोटर |
| स्थिति | नया | वज़न | 40 किलो |
| लकड़ी का बक्सा | 35*35*40 | ब्रांड नाम | TCY |
| टिप्पणी | अन्य मॉडलों का संचार ऑनलाइन किया जा सकता है | वितरण बंदरगाह | गुआंगज़ौ निंगबो यिवु |
स्विंग मोटर R140LC-9 39Q4-10150
![]()
| मॉडल:R140VS-9 R150VS-9 R140LC-9 | भाग नामःस्विंग मोटर |
| निम्नलिखित के लिए आवेदन करें:हुंडई एचसीई स्विंग डिवाइस | MOQ:1 पीसीएस |
| पैकिंगःलकड़ी का मामला | मूल स्थान:चीन |
| प्रदान की गई बिक्री के बाद सेवा:ऑनलाइन सहायता | आवेदन करें:खुदाई मशीन स्विंग ड्राइव |
| प्रसव का समय:1-3 दिन या बातचीत करें | नोट: अन्य मॉडल ऑनलाइन देखे जा सकते हैं |
![]()
![]()
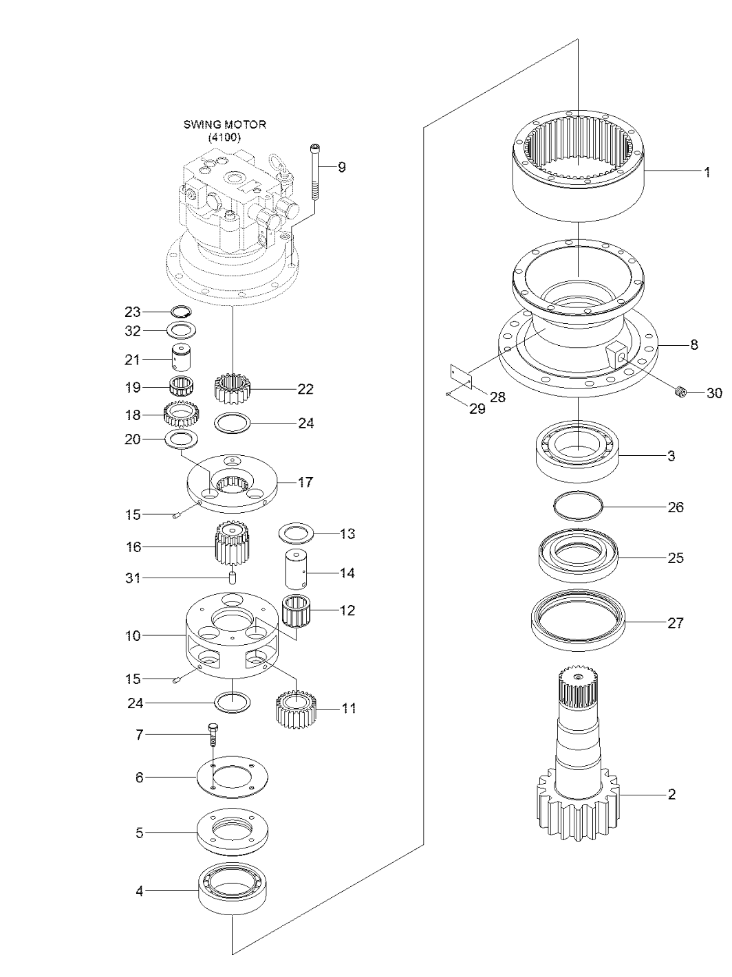
| Pos. | भाग संख्या | मात्रा | भागों का नाम |
| *-2. | 39Q4-12100 | [1] | स्विंग रिडक्शन गियर |
| *-2. | 39Q4-12101 | [1] | स्विंग रिडक्शन गियर |
| 1 | 39Q4-12110 | [1] | गियर-रिंग |
| 2 | 39Q4-12120 | [1] | शाफ्ट-ड्राइव |
| 3 | 39Q6-12140 | [1] | लेयरिंग-टेपर |
| 4 | 39Q4-12130 | [1] | लेयरिंग-टेपर |
| 5 | 39Q4-12140 | [1] | रिंग-नट |
| 6 | 39Q4-12150 | [1] | प्लेट-लॉक |
| 7 | S017-080126 | [4] | बोल्ट-हेक्स |
| 8 | 39Q4-12160 | [1] | कैसिंग |
| 9 | S109-141306 | [10] | बोल्ट-सॉकेट |
| K10. | 39Q4-12180 | [1] | वाहक 2 |
| K11. | 39Q4-12190 | [3] | गियर-प्लैनेटरी 2 |
| K12. | 39Q6-42280 | [3] | असर-सुई 1 |
| K13. | 39Q4-12200 | [6] | वाशर-थ्रस्ट 2 |
| K14. | 39Q4-12210 | [3] | पिन वाहक 2 |
| K15. | S472-600364 | [6] | पिन-स्प्रिंग |
| K16. | 39Q4-12220 | [1] | GEAR-SUN 2 |
| K17. | 39Q4-12240 | [1] | वाहक 1 |
| K18. | 39Q4-12250 | [3] | गियर-प्लानेटरी 1 |
| K19. | 39Q4-12260 | [3] | असर-सुई 1 |
| K20. | 39Q4-12270 | [3] | वाशर-थ्रस्ट 1 |
| K21. | 39Q4-12280 | [3] | पिन वाहक 1 |
| K22. | 39Q4-12290 | [1] | GEAR-SUN 1 |
| K23. | S751-032004 | [3] | रिंग-स्नैप |
| K24. | 39Q4-12300 | [2] | प्लेट-थ्रस्ट |
| 25 | 39Q4-12310 | [1] | आस्तीन |
| 26 | S632-095001 | [1] | ओ-रिंग |
| 27 | 39Q4-12320 | [1] | सील-तेल |
| 28 | 39Q4-12330 | [1] | नाम प्लेट |
| 28 | 39Q4-12331 | [1] | नाम प्लेट |
| 29 | 39Q6-41800 | [2] | रिवेट |
| 30 | P220-430204 | [1] | प्लग-हेक्स |
| 31 | 39Q4-12340 | [1] | पिन-समान |
| K32. | 39Q4-12350 | [3] | वाशर-थ्रस्ट 1 |
| के. | 39Q4-12170 | [1] | वाहक एसी किट 2 |
| के. | 39Q4-12230 | [1] | वाहक एसी किट 1 |
![]()
![]()
![]()
![]()
![]()
![]()
अक्सर पूछे जाने वाले प्रश्न
प्रश्न: आपकी नमूना नीति क्या है?
A:यदि हमारे पास स्टॉक में तैयार पार्ट्स हैं तो हम नमूने की आपूर्ति कर सकते हैं, लेकिन ग्राहकों को नमूना लागत और कूरियर लागत का भुगतान करना होगा।
प्रश्न: आपके मुख्य उत्पाद क्या हैं?
A:हम खुदाई मशीनों के हाइड्रोलिक सिस्टम के लिए स्पेयर पार्ट्स पर ध्यान केंद्रित करते हैं, जैसे कि ट्रैवल मोटर्स, स्विंग मोटर्स, ट्रैवल गियरबॉक्स, स्विंग गियरबॉक्स, गियर पार्ट्स, हाइड्रोलिक पंप।
यदि आपको अन्य उत्खनन सहायक उपकरण की आवश्यकता है, तो हम आपके अनुसार भी आपूर्ति कर सकते हैं।
प्रश्न: उत्पाद की वारंटी अवधि कितनी है?
A:परियोजना की स्थिति के आधार पर गारंटी का समय 6 महीने है; हम मूल और दूसरे हाथ के उत्पादों के लिए गारंटी का समय प्रदान नहीं करते हैं।
प्रश्न: मैं कैसे ऑर्डर करूं?
A:आपको हमें उस मॉडल और मात्रा के बारे में बताना होगा जिसमें आप रुचि रखते हैं, और फिर हम आपके लिए एक प्रोफार्मा चालान जारी करेंगे। भुगतान प्राप्त करने के बाद माल तैयार हो जाएगा।तैयारी का समय आदेश की सामग्री पर निर्भर करता है.
प्रश्न: मैं कैसे भुगतान करूं?
A:आप टी/टी, एक्सटी, वीचैट, अलीपे व्यापार गारंटी या बातचीत के माध्यम से भुगतान कर सकते हैं।
![]()

